-
도라안녕하세요, 나는 이미 멕시코에서 알루미늄 제련 공장에서 장비를 사용했고 당신의 회사의 레이저 소자의 기능에 놀랐습니다. -
실비아좋은 가스 누출 검출 기구 !!! 높은 정확한 시험 값 :D
제트론 MIC600-CO/O2/H2S/LEL 디비전 1 표준 고정 멀티 가스 탐지기 10~95% RH 운영 습도
무료샘플과 쿠폰을 위해 나와 연락하세요.
왓츠앱:0086 18588475571
위챗: 0086 18588475571
스카이프: sales10@aixton.com
만약 당신이 어떠한 관심도 가지면, 우리가 24 시간 온라인 도움말을 제공합니다.
x| 시야각 범위 | 90 ' | 센서 범위 | 0-250ppm |
|---|---|---|---|
| 적용 가능한 가스 | 아르곤 | 표준 | 클래스 I, 디비전 1, 그룹 A, B, C, D |
| 껍질 재료 | 알루미늄 | 작동 습도 | 10-95% RH(비응축) |
| 경보 | 청각 및 시각 경보, 릴레이 출력, 4-20mA 출력 | 일하는 습도 | 0-95%RH |
| 강조하다 | LEL 고정 가스 탐지기,MIC600-CO 고정 가스 탐지기,H2S 고정 가스 탐지기 |
||
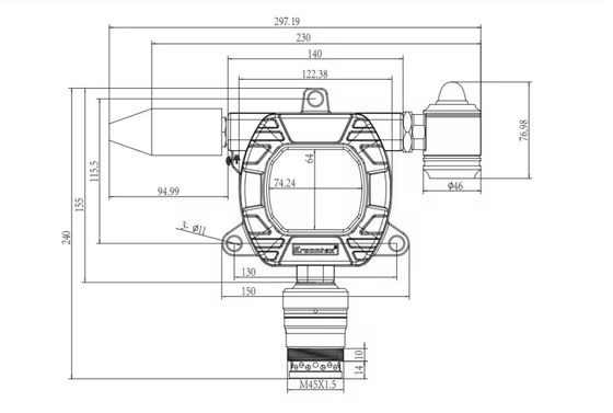
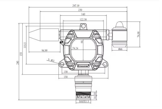
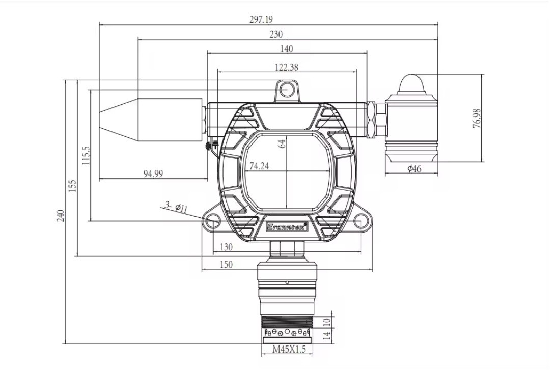
MIC600-O2/CO/H2S/LEL 고정형 다중 가스 탐지기
제품 설명:
24V DC 전원 공급 장치 (~ 15% ~ + 20% 범위) 를 통해 작동하는 이 고정된 멀티 가스 탐지기는 PPM, Mg/m3, Vol%, LEL%, PPHM, Ppb 및 Mg/l를 포함한 광범위한 가스를 탐지할 수 있습니다.이 다재다능성 은 다양한 산업적 환경 에 이상적 인 솔루션 을 만든다화학 공장, 석유 정제 공장 및 폐수 처리 시설을 포함하여
다재다능한 가스 단위 탐지 기능 외에도이 고정 가스 탐지기는 10-95% RH (비 응축) 범위에서 높은 수준의 작동 습도를 제공합니다.이것은 다양한 환경에서 사용할 수 있다는 것을 의미합니다.높은 수분이나 습도가 있는 것을 포함하여.
이 고정된 멀티 가스 탐지기의 주요 장점 중 하나는 ≤30초의 빠른 응답 시간입니다.이는 환경 내의 잠재적으로 위험한 기체의 존재를 신속하고 정확하게 감지할 수 있다는 것을 의미합니다., 모든 위험이나 위험을 완화하기 위해 신속한 조치를 취할 수 있습니다.
전체적으로 고정 가스 탐지기는 고정된 위치에서 가스 수준을 모니터링하는 신뢰할 수 있고 효과적인 솔루션입니다.높은 가동 습도, 그리고 빠른 반응 시간, 그것은 다양한 산업 응용 프로그램에 대한 이상적인 선택입니다.
특징:
- 제품명: 고정 가스 탐지장
- 작동 온도: -20°C ~ 50°C
- 표준: 클래스 I, 디비전 1, 그룹 A, B, C, D
- 경보: 청각 및 시각 경보, 릴레이 출력, 4-20mA 출력
- 침투 보호: IP66
- 작업 습도: 0~95%RH
이 고정 온라인 가스 모니터 는 클래스 I, 디비전 1, 그룹 A, B, C, D 표준을 충족하는 실시간 가스 탐지 장치입니다. 소음 및 시각 경보, 릴레이 출력 및 4-20mA 출력이 있습니다.IP66 침입 보호 등급, 그것은 가혹한 환경에 견딜 수 있습니다. 그것은 또한 0-95% RH의 작업 습도 범위 내에서 작동합니다.
기술 매개 변수:
| 기술 매개 변수 | 설명 |
|---|---|
| 제품 이름 | 고정 가스 감지기 |
| 제품 종류 | 온라인 가스 송신기 |
| 작동 습도 | 10~95% RH (비연결) |
| 시스템 전원 공급 | 24V DC (-15% ~ +20%) |
| 반응 시간 | ≤30초 |
| 관점 범위 | 90° |
| 센서 범위 | 0-250ppm |
| 경보 | 음향 및 시각 경보, 릴레이 출력, 4-20mA 출력 |
| 침입 보호 | IP66 |
| 가스 단위 | PPM, Mg/m3, Vol%, LEL%, PPHM, Ppb, Mg/l |
| 작업 습도 | 0~95%RH |
| 표시 | LED |
응용 프로그램:
이 고정된 가스 탐지기의 가장 일반적인 응용 분야는 산업 환경입니다.이 가스 경보기는 위험한 가스로부터 노동자를 보호하려는 사람들에게 필수품입니다.메탄, 수소, 암모니아, 일산화탄소를 포함한 다양한 기체를 감지할 수 있어 다양한 산업에 다재다능한 옵션입니다.
MIC600의 또 다른 일반적인 사용은 석유 및 가스 산업입니다. 프로판과 부탄과 같은 폭발 가스를 탐지 할 수있는 능력으로,이 고정된 멀티 가스 탐지기는 석유 정제 공장이나 천연 가스 생산 시설에서 일하는 사람들에게 필수 도구입니다.또한 고농도에서 치명적일 수 있는 수황화수소와 같은 독성 가스를 감지할 수 있습니다.
MIC600과 같은 고정 가스 탐지기는 상업적 환경에서도 일반적으로 사용됩니다. 예를 들어, 그들은 종종 주차장에서 일산화탄소를 탐지하기 위해 설치됩니다.자동차 배기가스에서 쌓일 수 있습니다.또한 실험실에서 위험한 화학 물질을 탐지하거나 식품 가공 공장에서 질소 이산화와 같은 기체를 모니터링하는 데 사용될 수 있습니다.
마지막으로, MIC600은 주거용 환경의 인기있는 선택입니다. 주택 소유자는 집에서 일산화탄소를 감지하는 데 사용할 수 있습니다.이것은 조용한 킬러입니다. 특화된 가스 탐지기가 없으면 탐지하기가 어려울 수 있습니다.또한 천연 가스 누출을 감지하는 데 사용될 수 있습니다.
전체적으로, Zetron MIC600 고정 멀티 가스 탐지기는 고품질의 가스 알람으로 다양한 응용 분야에 적합합니다.읽기 쉬운 디스플레이, 그것은 잠재적으로 위험한 가스를 모니터링 할 필요가있는 모든 사람에게 필수입니다. 게다가, 단 하나의 최소 주문량으로, 개인이나 기업 모두에게 저렴한 옵션입니다.

